0009844650 - Корпус подшипника верхнего ролика CLAAS Jaguar

0009844650 - Корпус подшипника верхнего ролика CLAAS Jaguar

Что вы ищете?

0009844650 - Корпус подшипника верхнего ролика CLAAS Jaguar

В наличии
Код товара:
10632911280
9650,00 ₴
Основные параметры
Дополнительная информация
Состояние Новый
Номер детали 0009844650
Описание
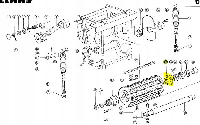
корпус подшипника верхнего прижимного ролика

артикул: 0009844650

подходит для машин: 810, 820, 830, 840, 850, 860, 870, 880, 900

у нас есть широкий ассортимент запасных и оригинальных запчастей для комбайнов, западных тракторов и зерноуборочных комбайнов.

Translated by AiTranslate api services.
Scroll To Top