KD-2006 необслуживаемый замок зажигания сигнализация 2 пульт дистанционного управления

KD-2006 необслуживаемый замок зажигания сигнализация 2 пульт дистанционного управления

Що Ви шукаєте?

KD-2006 необслуживаемый замок зажигания сигнализация 2 пульт дистанционного управления

В наявності
Код товару:
11442554594
3936,00 грн
Основні параметри
Докладніше
Стан Новий
Опис

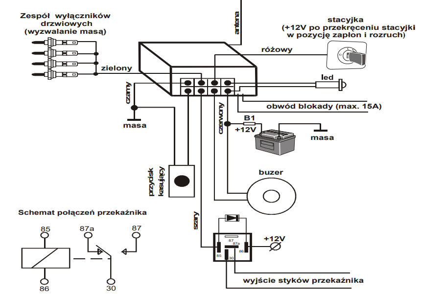
KD-2006 необслуживаемый иммобилайзер с сертификатом (E20-97ri-012012)- польский продукт

новый (с 04/2021) - пульты дистанционного управления с акселерометром (датчик движения) - гораздо меньше расход батареи.

пилот засыпает при отсутствии движения. Повторное движение разбудило его. Отличительной чертой является синий светодиод на пульте дистанционного управления.

скачать руководство:   http://www.elmax-alarmy.pl/down/AEkd.pdf

В комплект входят:

  1. пультов + 2 необслуживаемые пультов очистители с батареями,

    пультов самостоятельно посылают стирающие импульсы в пультов каждые 8 сек. На пульте дистанционного управления вы можете включить или отключить автоматическую отправку импульсов стирания.

  2. жгут проводов со светодиодом, зуммером и кнопкой для программирования (аварийного разоружения),
  3. инструкция по сборке и эксплуатации по - польски,
  4. цветная коробка для безопасной транспортировки.
  5. Другие блокировки и immobilizery из нашего предложения Вы найдете на странице:

    https://allegro.pl/uzytkownik/elmax-alarmy?string=katblo&description=1

KD 2006 bezobslugowa blokada zaplonu alarm 2 pilot

функции устройства

  1. автоматическое включение защиты автомобиля при выключении замка зажигания,
  2. отключение защиты автоматически-без технического обслуживания или аварийной скрытой кнопкой,
  3. программируемая функция защиты от кражи ключей;
  4. программируемая функция защиты от взлома при включенном двигателе;
  5. состояние обслуживания, позволяющее вернуть автомобиль в сервисное обслуживание без указания способа удаления антинапада и антиправления;
  6. встроенный 1-контурный иммобилайзер( + возможность блокировки второй цепи дополнительным реле - его можно приобрести вместе с подставкой на другом нашем аукционе № 6742691260 )
  7. возможность программировать два не требующих обслуживания идентификатора (версия BSI);
  8. акустическая сигнализация пароксизмальных и похищенных процедур;
  9. визуальная сигнализация пароксизмальных и похищенных процедур в качестве опции. Ли>

технические характеристики:

  • блок питания: 12 В / DC,
  • потребляемый ток
  • : max 20 мА,
  • максимальный ток нагрузки блокировки зажигания 15 А.,
  • Максимальный выходной ток нагрузки 2-канал 100 мА., Ли>
  • Максимальный выходной ток нагрузки 2-канал 100 мА.,Ли>
  • темп. рабочая: -30 -- +85 градусов C.
  • улей>
    KD 2006 bezobslugowa blokada zaplonu alarm 2 pilot EAN 5907626670806

    _____________________________

    Все виды копирование запрещено. (katblo)

    Scroll To Top